picture

Titanový výměník Elecro G2 - 85kW

Titanový výměník Elecro G2 - 85kW

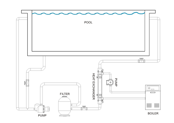
Bazénový tepelný výměník s vysokou účinností

Unikátní design a robustní konstrukce výměníku tepla Elecro G2 nabízí bezkonkurenční plochu přenosu tepla, což z něj činí jeden z nejúčinnějších výrobků na trhu.

Díky hustě zabalenému trubkovému svazku v tepelně izolované primární komoře zajišťuje relativně malý objem komory a velká plocha vnitřního potrubí vynikající účinnost přenosu tepla a minimální ztráty energie, takže G2 je ideální volbou pro všechny aplikace včetně okruhů kotlů, solárních panelů, tepelných čerpadel nebo chladičů.

Model G2 je vyroben podle nejvyšších specifikací s použitím nejsilnějších a nejtrvanlivějších materiálů. Skříň je vyrobena z nerezové oceli BS 316L (EN 1.4432) a je uzavřena tuhým tepelným pouzdrem pro lepší izolaci primárního toku vody, což zajišťuje maximální účinnost.

Byl navržen tak, aby umožnil instalačnímu technikovi vybrat způsob, jak instalovat primární a sekundární přítok vody, aby se dosáhlo maximálního tepelného zisku. Toho je dosaženo směrováním primárního toku v opačném směru k sekundárnímu toku (bazénové) vody.

Kód produktu:553185

Jsme velkoobchod, pro maloobchod neprodáváme.
V případě zájmu o to stát se našim B2B partnerem, náš kontaktujte.
Děkujeme za pochopení.
Pro zobrazení ceny a dostupnosti se přihlaste

Náhradní díly

picture

Kontaktujte přímo svého obchodního zástupce

Pomůžeme vám s každou objednávkou

Zobrazit všechny kontakty