NOVÁ GENERACE MINISALT
Nejste ještě naším obchodním partnerem? Kontaktujte nás, domluvíme se na spolupráci
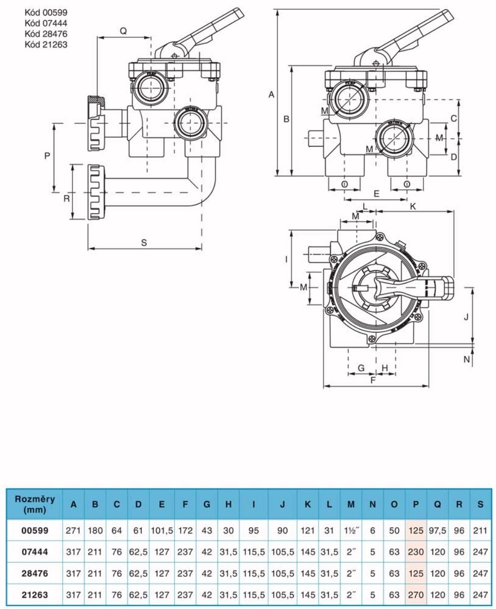
Kód produktu:07444
Pomůžeme vám s každou objednávkou